2024年1月8日 星期一

APCS 2024.01 m933. 3. 邏輯電路

        乍看之下,本來覺得可以直接硬解,所以沒多想便用了很多清單來解題,沒想到過程中發現要記錄的資訊量很大,寫著寫著程式越來越複雜,所幸從頭開始,運用自訂結構,將每個節點所需要的欄位明確定義出來,這題就會簡單許多。

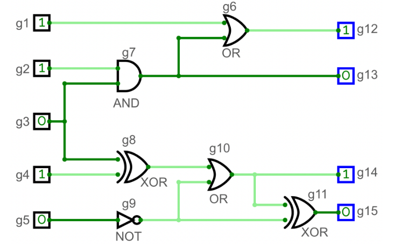
        解題技巧運用到BFS再加上一些條件式判斷,依下圖為例:


        第0步的起點為g1,g2,g3,g4,g5,第一步的起點為g6,g7,g8,g9,第二步的起點為g6,g10,g11,第三步為g11,你會發現第一步的g6沒有馬上走到g12,這也是這題的重點之一,因為第一次走到g1->g6的時候,g6還算不出答案,它還在等待g7->g6,因為g6必須湊齊g1,g7才能得到輸出。
        以下附上完整程式:

class Node:
    def __init__(self):
        self.nexts = []#該節點是那些節點的輸入
        self.val = -1
        self.delay = 0
        self.gate = None
        self.ipt = []#那些節點是本節點的輸入

def t():
    pp,q,r,m = [int(i) for i in input().split()]
    p = [int(i) for i in input().split()]
    t = [int(i) for i in input().split()]
    nodes = []
    for i in range(pp+q+r):
        nodes.append(Node())
    for i in range(pp):
        nodes[i].val = p[i]
    for i in range(pp , pp+q):
        nodes[i].gate = t[i-pp]
    #print(nodes)
    
    for i in range(m):
        a,b = [int(i) for i in input().split()]
        a -= 1
        b -= 1
        nodes[a].nexts.append(b)
    
    p = [i for i in range(pp)]
    
    '''1 為 AND、2 為 OR、3 為 XOR、4 為 NO'''
    for i in p:
        if nodes[i].val == -1:continue
        for j in nodes[i].nexts:#i節點是j節點的輸入
            nodes[j].ipt.append(i)#j節點的輸入有添加i節點
            if nodes[j].gate == 4 and len(nodes[j].ipt) == 1:
                nodes[j].val = int(not nodes[nodes[j].ipt[0]].val)#j節點的值,是j的輸入的值的相反
                nodes[j].delay = nodes[nodes[j].ipt[0]].delay + 1
                p.append(j)
            elif nodes[j].gate != 4 and len(nodes[j].ipt) == 2:
                p1,p2 = nodes[nodes[j].ipt[0]] , nodes[nodes[j].ipt[1]]
                if nodes[j].gate == 1:
                    nodes[j].val = int(p1.val and p2.val)
                if nodes[j].gate == 2:
                    nodes[j].val = int(p1.val or p2.val)
                if nodes[j].gate == 3:
                    nodes[j].val = int(p1.val != p2.val)
                nodes[j].delay = max(p1.delay , p2.delay) + 1
                p.append(j)
    mm = 0
    for i in range(pp+q , pp+q+r):
        mm = max(nodes[nodes[i].ipt[0]].delay , mm)
    print(mm)
    for i in range(pp+q , pp+q+r):
        print(nodes[nodes[i].ipt[0]].val , end = ' ')
    print()
t()

        如果有問題,歡迎留言會email我。

1 則留言:

o079. 4. 最佳選擇

 題目描述: 給一個長度為 n 的正整數序列 a1,a2...an ,你可以執行多次操作 (包含 0 次),每次操作只能選擇這個序列的第一個或最後一個數字,再將這個數字從序列中刪除並自己搜集起來。 求滿足總和不超過 k 且搜集的數字奇數和偶數個數相同的條件下,所能搜集的數字總和最...